KUNDENSERVICE +49(0)6127 - 99 23 60
Mo-Do: 07.30 - 12.00 Uhr
Mo-Do: 12.30 - 16.30 Uhr
Fr: 07.30 - 13.00 Uhr
Traktor auswählen
Kostenloser
Rückversand
90 Tage
Rückgaberecht
271.040
Lagerartikel

Krümmerstutzen mit Verdrehsicherung 190mm - Deutz (02382769)

Artikelnummer:
2116445

OEM-Vergleichsnummer*:
02382769

59,95 €(Netto 50,38 €) inkl. 19% MwSt.
zzgl. Versandkosten
Lagernd
Lieferfrist 1-3 Tage

Beschreibung

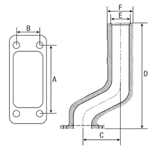
Krümmerstutzen (02382769)

 

  • A: 70mm
  • B: 40mm 
  • C: -
  • D: 190mm
  • E: 45mm
  • F: 54mm
  • mit Verdrehsicherung

 

passend für die Deutz Traktoren

 

  • Serie: 06           
    2506, 3006, 4006, 4506, 5006, 5206, 5506, 6006, 6206
  • Serie: 07           
    2807, 3607
Qualität & Standards (PDF) Angaben VO EU-2023/988
104,99 €
(Netto 88,23 €)
6,90 €
(Netto 5,80 €)

UNSERE TOP-MARKEN


Zum Seitenanfang