KUNDENSERVICE +49(0)6127 - 99 23 60
Mo-Do: 07.30 - 12.00 Uhr
Mo-Do: 12.30 - 16.30 Uhr
Fr: 07.30 - 13.00 Uhr
Traktor auswählen
Kostenloser
Rückversand
90 Tage
Rückgaberecht
269.353
Lagerartikel

Abgaskrümmer - Case IH (136174A3)

Artikelnummer:
136174

OEM-Vergleichsnummer*:
136174A3

83,90 €(Netto 70,50 €) inkl. 19% MwSt.
zzgl. Versandkosten
In Kürze versandfertig
Lieferfrist 5-10 Tage

Beschreibung

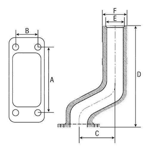
Abgaskrümmer / Auspuffkrümmer

 

  • A: 115mm
  • B: 45mm
  • C: 105mm
  • D: 320mm
  • E: 57mm
  • F: 82mm 

 

passend für Case IH

 

  • Serie 32
    3210
    3220
    3230
  • Serie 42
    4210
    4220
    4230
Herstellerinformationen (PDF) Angaben VO EU-2023/988

UNSERE TOP-MARKEN


Zum Seitenanfang