KUNDENSERVICE +49(0)6127 - 99 23 60
Mo-Do: 07.30 - 12.00 Uhr
Mo-Do: 12.30 - 16.30 Uhr
Fr: 07.30 - 13.00 Uhr
Traktor auswählen
Kostenloser
Rückversand
90 Tage
Rückgaberecht
271.040
Lagerartikel

Bolzen für Lenkzylinder - Fiat (5142048)

Artikelnummer:
125142048

OEM-Vergleichsnummer*:
5142048

21,90 €(Netto 18,40 €) inkl. 19% MwSt.
zzgl. Versandkosten
Lagernd
Lieferfrist 1-3 Tage

Beschreibung

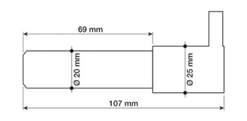
Bolzen für Lenkzylinder 

 

  • Gesamtlänge: 107mm
  • Ø Bolzen: 20mm / 25mm

 

passend für Fiat

 

  • Serie 66
    70-66 S
    80-66
    80-66 S
  • Serie 90
    70-90
    80-90
    85-90
    90-90
    100-90
    110-90
  • Serie 93
    72-93
    82-93
    88-93
  • Serie 94
    72-94
    82-94
    88-94
  • Serie L
    L 75
    L 85
    L 95
  • Serie M
    M 100
    M 115
    M 160
Qualität & Standards (PDF) Angaben VO EU-2023/988

UNSERE TOP-MARKEN


Zum Seitenanfang