KUNDENSERVICE +49(0)6127 - 99 23 60
Mo-Do: 07.30 - 12.00 Uhr
Mo-Do: 12.30 - 16.30 Uhr
Fr: 07.30 - 13.00 Uhr
Traktor auswählen
Kostenloser
Rückversand
90 Tage
Rückgaberecht
271.040
Lagerartikel

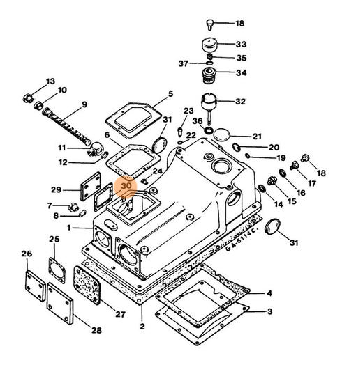
Dichtung Hubwerksgehäuse - Case IH (3053452R2)

Artikelnummer:
81093332

OEM-Vergleichsnummer*:
3053452R2, 3053452R3

5,95 €(Netto 5,00 €) inkl. 19% MwSt.
zzgl. Versandkosten
Lagernd
Lieferfrist 1-3 Tage

Beschreibung

Dichtung für Hubwerksgehäuse 

 

  • Nr. 30 auf der Explosionszeichnung
 
passend für Case IH 
 
  • Serie: 23
    323, 423
  • Serie: 43
    743, 743XL
  • Serie: 44
    644, 744, 844, 844S, 844XL
  • Serie: 45
    745S, 745XL, 845, 845XL
  • Serie: 53
    453
  • Serie: 56
    1056, 1056XL, 956, 956XL
  • Serie: 83
    383
Herstellerinformationen (PDF) Angaben VO EU-2023/988

UNSERE TOP-MARKEN


Zum Seitenanfang