KUNDENSERVICE +49(0)6127 - 99 23 60
Mo-Do: 07.30 - 12.00 Uhr
Mo-Do: 12.30 - 16.30 Uhr
Fr: 07.30 - 13.00 Uhr
Traktor auswählen
Kostenloser
Rückversand
90 Tage
Rückgaberecht
271.040
Lagerartikel

Kolben mit Kolbenbolzen - Landini (4223499M91)

Artikelnummer:
1233183

OEM-Vergleichsnummer*:
4223499M91, U5LL0031

137,90 €(Netto 115,88 €) inkl. 19% MwSt.
zzgl. Versandkosten
In Kürze versandfertig
Lieferfrist 5-10 Tage

Beschreibung

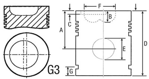
Kolben mit Kolbenbolzen (4223499M91)
 
  • Ø Bohrung: 101,05mm
  • Kolbenringe: 3
  • A: 71,70mm
  • B: 20,41mm
  • C: /
  • D: 120,75mm
  • E: 34,925mm
  • F: 61,40
  • G: /

 

passend für die Landini Traktoren

 

  • Serie: 60 NG           
    7860, 8860
  • Serie: Atlantis           
    Atlantis 75, Atlantis 85
  • Serie: Atlas           
    Atlas 75, Atlas 85

 

passend für die Motoren

 

  • A4.41 - Perkins
  • 1004.42 - Perkins
Herstellerinformationen (PDF) Angaben VO EU-2023/988

UNSERE TOP-MARKEN


Zum Seitenanfang