KUNDENSERVICE +49(0)6127 - 99 23 60
Mo-Do: 07.30 - 12.00 Uhr
Mo-Do: 12.30 - 16.30 Uhr
Fr: 07.30 - 13.00 Uhr
Traktor auswählen
Kostenloser
Rückversand
90 Tage
Rückgaberecht
271.040
Lagerartikel

Hubstange - Deutz (04341296)

Artikelnummer:
884341296

OEM-Vergleichsnummer*:
04341296

159,90 €(Netto 134,37 €) inkl. 19% MwSt.
zzgl. Versandkosten
Lagernd
Lieferfrist 1-3 Tage

Beschreibung

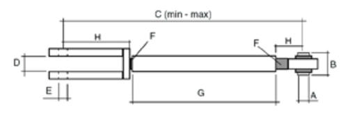
Hubstange / Hubstrebe (04341296)

 

  • A: 30mm
  • B: 50mm
  • C1: 770mm
  • C2: 945mm
  • D: 30mm
  • E: 25mm
  • F: M28x3.0
  • G: 230mm
  • H: 310mm
  • I: 235mm
 
passend für Deutz
 
  • DX 80, 86, 92, 4.10, 4.30, 4.50, 4.70, 6.05
  • Hopfen DX 4.57
  • AgroPrima 4.31, 4.51, 4.56, 6.06
  • AgroStar 4.61, 4.68, 4.71, 4.78
  • AgroXtra 4.47, 4.57, 6.07
Qualität & Standards (PDF) Angaben VO EU-2023/988

UNSERE TOP-MARKEN


Zum Seitenanfang