KUNDENSERVICE +49(0)6127 - 99 23 60
Mo-Do: 07.30 - 12.00 Uhr
Mo-Do: 12.30 - 16.30 Uhr
Fr: 07.30 - 13.00 Uhr
Traktor auswählen
Kostenloser
Rückversand
90 Tage
Rückgaberecht
271.040
Lagerartikel

Ausgleichsscheibe 0,25mm - John Deere (T23228)

Artikelnummer:
81093228

OEM-Vergleichsnummer*:
T23228

3,61 €(Netto 3,03 €) inkl. 19% MwSt.
zzgl. Versandkosten
Lagernd
Lieferfrist 1-3 Tage

Beschreibung

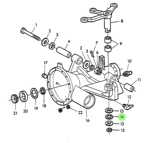
Ausgleichsscheibe Lenkhebel (T23228)

 

  • Nr. 14 auf der Explosionszeichnung
  • Stärke: 0,25mm
  • Außen Ø: 63mm
  • Innen Ø: 32mm

passend für die John Deere Traktoren 
 
  • Serie: 20
    920, 920, 1020, 1120, 2020, 2120
  • Serie: 30
    830, 930, 1030, 1130, 1630, 2030
Herstellerinformationen (PDF) Angaben VO EU-2023/988

UNSERE TOP-MARKEN


Zum Seitenanfang