KUNDENSERVICE +49(0)6127 - 99 23 60
Mo-Do: 07.30 - 12.00 Uhr
Mo-Do: 12.30 - 16.30 Uhr
Fr: 07.30 - 13.00 Uhr
Traktor auswählen
Kostenloser
Rückversand
90 Tage
Rückgaberecht
254.041
Lagerartikel

Kolben (Ø Kolbenbolzen 35mm) - Fendt (F158200310010)

Artikelnummer:
2233214

OEM-Vergleichsnummer*:
F158200310010

72,38 €(Netto 60,82 €) inkl. 19% MwSt.
zzgl. Versandkosten
In Kürze versandfertig
Lieferfrist 5-10 Tage

Beschreibung

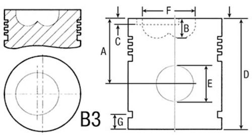
Kolben mit Kolbenbolzen

 

  •  Ø Bohrung: 105mm
  • Ringe: 4
  • A: 60,40mm
  • B: 20,25mm
  • C: -
  • D: 113,40mm
  • E: 35mm

 

passend für Fendt 

 

  • Serie Farmer 100
    Farmer 102 (Typ 135)
    Farmer 103 (Typ 138)
    Farmer 104 (Typ 238)
    Farmer 105 (Typ 258)
    Farmer 106 (Typ 268)
    Farmer 108 (Typ 278)
  • Serie Farmer 300
    Farmer 303 (Typ 152)
    Farmer 304 (Typ 158)
    Farmer 305 (Typ 162)
    Farmer 306 (Typ 168)
    Farmer 308 (Typ 178)
    Farmer 311 (Typ 198)
  • Serie Favorit 600
    Favorit 610 (Typ 281)
    Favorit 611 (Typ 282)
    Favorit 611 (Typ 382)
    Favorit 612 (Typ 283)

 

passend für die Motoren

 

  • D226-4.2 - MWM
  • D226-6.2 - MWM
  • D226-3.2 - MWM
Herstellerinformationen (PDF) Angaben VO EU-2023/988

UNSERE TOP-MARKEN


Zum Seitenanfang