KUNDENSERVICE +49(0)6127 - 99 23 60
Mo-Do: 07.30 - 12.00 Uhr
Mo-Do: 12.30 - 16.30 Uhr
Fr: 07.30 - 13.00 Uhr
Traktor auswählen
Kostenloser
Rückversand
90 Tage
Rückgaberecht
242.872
Lagerartikel

Hubkraftverstärkung rechte Seite - IHC

Artikelnummer:
64940400

OEM-Vergleichsnummer*:

929,00 €(Netto 780,67 €) inkl. 19% MwSt.
zzgl. Versandkosten
Verfügbar ab
ca. 24.04.26

Beschreibung

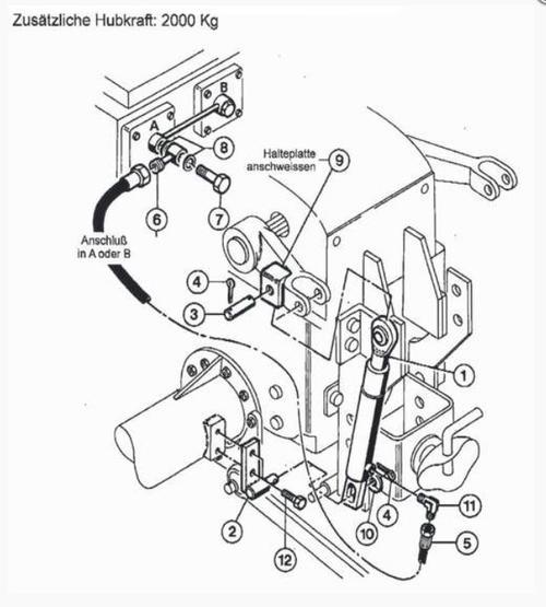
Die Hubkraftverstärkung erhöht die Hubkraft der Dreipunkt Hydraulik. Durch Montage zusätzliche Hubzylinder wird die Hubkraft um ein Vielfaches erhöht.

 

z.B. für die IHC Traktoren:

 

  • 323, 353, 383
  • 423, 424, 433, 453
  • 533
  • 633, 640
  • 733, 740
  • 833, 840

 

In diesem Bausatz sind 1 Hydraulikzylinder enthalten (rechte Seite).

 

Im Lieferumfang sind alle benötigten Montageteile sowie eine Montageanleitung enthalten.

 

Die Abbildung ist kein Original Produktbild und dient lediglich als Beispiel!

 

Dieser Artikel ist von der Rückgabe und der Stornierung ausgeschlossen. Es handelt sich um eine Sonderbestellung.

Herstellerinformationen (PDF) Angaben VO EU-2023/988
839,00 €
(Netto 705,04 €)

UNSERE TOP-MARKEN


Zum Seitenanfang