KUNDENSERVICE +49(0)6127 - 99 23 60
Mo-Do: 07.30 - 12.00 Uhr
Mo-Do: 12.30 - 16.30 Uhr
Fr: 07.30 - 13.00 Uhr
Traktor auswählen
Kostenloser
Rückversand
90 Tage
Rückgaberecht
257.745
Lagerartikel

Fernlicht Relais - IHC (1502351C1, 3221178R1)

Artikelnummer:
2596525

OEM-Vergleichsnummer*:
1502351C1, 3221178R1

15,99 €(Netto 13,44 €) inkl. 19% MwSt.
zzgl. Versandkosten
Lagernd
Lieferfrist 1-3 Tage

Beschreibung

Relais für das Fernlicht (Auf- und Abblenden)

 

  • 12 V / 150 W
    für Scheinwerfer zum Auf- und Abblenden
    mit Halter, 5-polig, Flachsteckanschlüsse
  • 2x 150W (max)
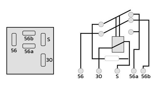
  • Anschlussklemmen: 30, 56, 56a, 56b, S

passend für IHC 

 

  • Serie 32
    3210
    3220
    3230
  • Serie 42
    4210
    4220
    4230
    4240
  • Serie 85
    485 XL
    585 XL
    685 XL
    785 XL
    885 XL
  • Serie 95
    495 XL
    595 XL
    695 XL
    795 XL
    895 XL
    995 XL
  • Serie A-Familie
    433
    440
    533
    540
    633
    640
    733
    740
    833
    840
    933
    940 (1/90-12/92)
  • Serie AF (Axial- Flow)
    2144
    2166
    2188
    2344
    2365
    2366
    2377
    2388
    2577
    2588
  • Serie B-Familie
    743
    743 XL
    745 S
    745 XL
    844 S
    844 XL
    845
    845 XL
    856 XL
  • Serie C-Familie
    955
    955 XL
    956
    956 XL
    1055
    1055 XL
    1056
    1056 XL
  • Serie Compact
    C 50
    C 60
    C 70
    C 80
    C 90
  • Serie CX
    CX 50
    CX 60
    CX 70
    CX 80
    CX 90
    CX 100
  • Serie D-Familie
    1255
    1255 XL
    1455
    1455 XL
  • Serie D-Linie
    D 440
  • Serie Maxxum
    Maxxum 5120
    Maxxum 5130
    Maxxum 5140
    Maxxum 5150
    Maxxum 5220
    Maxxum 5230
    Maxxum 5240
    Maxxum 5250
  • Serie MX
    MX 80C
    MX 90C
    MX 100 Maxxum
    MX 110 Maxxum
    MX 120 Maxxum
    MX 135 Maxxum
    MX 150 Maxxum
    MX 170 Maxxum
  • Serie SPX
    SPX4260 (11/01-6/04)
    SPX4410 (6/04-8/06)
Herstellerinformationen (PDF) Angaben VO EU-2023/988

UNSERE TOP-MARKEN


Zum Seitenanfang