KUNDENSERVICE +49(0)6127 - 99 23 60
Mo-Do: 07.30 - 12.00 Uhr
Mo-Do: 12.30 - 16.30 Uhr
Fr: 07.30 - 13.00 Uhr
Traktor auswählen
Kostenloser
Rückversand
90 Tage
Rückgaberecht
271.040
Lagerartikel

Hubstrebe 550-770mm - Massey Ferguson (1682387M91, 1693985M94)

Artikelnummer:
3076021

OEM-Vergleichsnummer*:
1682387M91, 1693985M94

119,00 €95,20 €(Netto 80,00 €) inkl. 19% MwSt.
zzgl. Versandkosten
Lagernd
Lieferfrist 1-3 Tage

Beschreibung

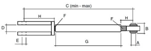
Hubstrebe mit Spindel (1682387M91, 1693985M94)

 

  • Ø A: 22mm
  • B: 22,30mm
  • C1: 550mm
  • C2: 770mm
  • D: 49mm
  • E: -
  • F: 1" UNF

 

passend für die Massey Ferguson Traktoren

 

  • Serie: 300           
    350, 362, 365, 375, 382N, 390, 398, 399
  • Serie: 600           
    675, 690
Qualität & Standards (PDF) Angaben VO EU-2023/988
269,90 €
(Netto 226,81 €)
115,95 €
(Netto 97,44 €)

UNSERE TOP-MARKEN


Zum Seitenanfang