KUNDENSERVICE +49(0)6127 - 99 23 60
Mo-Do: 07.30 - 12.00 Uhr
Mo-Do: 12.30 - 16.30 Uhr
Fr: 07.30 - 13.00 Uhr
Traktor auswählen
Kostenloser
Rückversand
90 Tage
Rückgaberecht
265.805
Lagerartikel

WALDTERSCHEID KU2000/329NBFBF, 8004342

Artikelnummer:
8004342

OEM-Vergleichsnummer*:
KU2000/329NBFBF, 8004342

1.081,86 €(Netto 909,13 €) inkl. 19% MwSt.
zzgl. Versandkosten
In Kürze versandfertig
Lieferfrist 5-10 Tage

Beschreibung

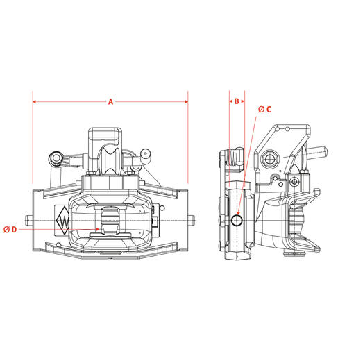
Walterscheid® Innenteil IN2000/329NBFBF - 8004342

 

  • Technische Daten

    Verbindungstyp: automatisch, Kuppelbolzen ballig
    Modell: IN2000/329NBFBF
    Stützlast (daN): 2000
    Schienenweite: W=329/32/25 mm
    D-Wert (kN): 94,1 | 120,5
    Norm DIN/ISO: DIN 11026 (ISO 5692-2) | DIN 11043 | DIN 74054 (ISO 8755) | DIN 9678 (ISO 5692-1)
    ABG-Nummer: F4265
    Genehmigung: e1 0088 | e1 00152 | E1 0008
    AP Code: A-S-C-RC1-DH-0/0-1-2-3
    A (mm): 329
    B (mm): 32
    C (mm): 25
    D (mm): 37
    AP-Code: A-S-C-RC1-DH-0/0-1-2-3
    Datenblatt: 1.02.015
    Farbe: Schwarz
 
Bei diesem Produkt handelt es sich um eine automatische Anhängekupplung. Hinsichtlich der Fangmaulabmessungen und des Verwendungsbereiches entspricht sie DIN 11028, RREG 2009/144/EG, VO (EU) 2015/208, UN ECE R147 und Klasse c40. Die Kupplung enthält konstruktiv das Hebelauslösesystem, d. h. Auslösen des Kuppelvorgangs durch Einfahren einer Zugöse in das Fangmaul und Zurückdrücken des Auslösehebels. Die Kupplung befindet sich bei Normalstellung in geschlossener und gesicherter Stellung. In dieser Ausführung besitzt sie einen balligen Kuppelbolzen D=37 mm und ist um 360° schwenkbar, das dazu erforderliche Drehmomente beträgt 100 bis 150 Nm. Die automatische Anhängekupplung wird nur eingebaut in ein höhenverstellbares Innenteil angeboten und kann ausschließlich in schnellhöhenverstellbaren Anhängeböcken betrieben werden. Der Verwendungsbereich erstreckt sich auf den Einsatz an land- oder forstwirtschaftlichen (lof) Zugmaschinen, selbstfahrende Arbeitsmaschinen oder Anhängern.
 
  • Produktvorteile

    Schnellhöhenverstellbar
    Aus geschmiedetem Werkstoff
    Kuppelbolzen 360 Grad frei drehbar  
Herstellerinformationen (PDF) Angaben VO EU-2023/988

UNSERE TOP-MARKEN


Zum Seitenanfang